产品特性
• 轴端适用性高
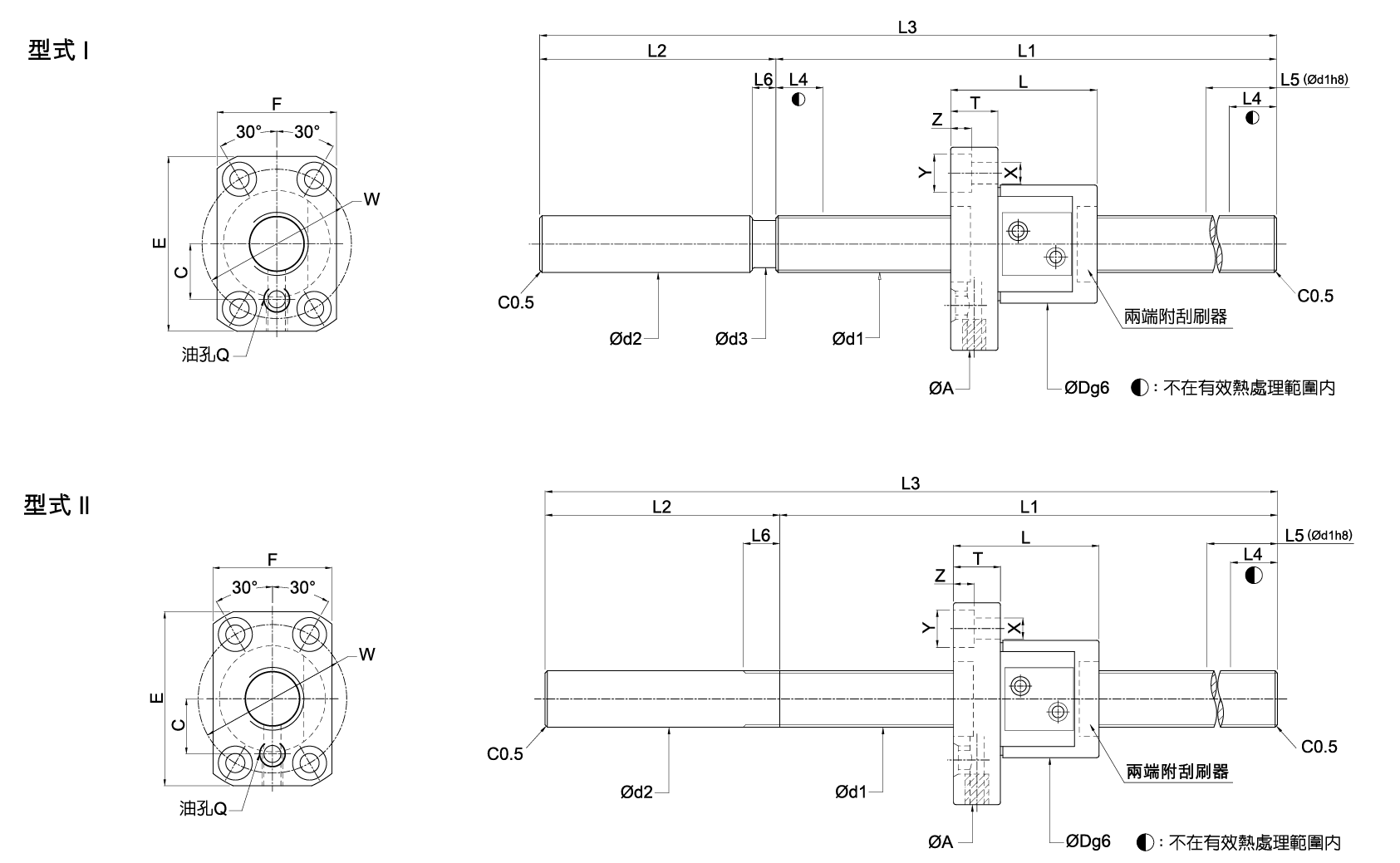
轴端未经过热处理加工,保留丝杆轴两端中心孔,可容易加工轴端肩部尺寸。
• 短交期
将丝杆常用规格、牙长及轴端未加工长度设为库存品标准
• 低价格
精密等级以C5或C7搭配轴向间隙作为设定,大量生产降低成本,使得价格更为优惠。
PPR 微小型螺帽特色
• 节省空间
采用特殊外循环方式设计,使螺帽尺寸和内循环方式一样精巧,不占空间。
• 循环方式
由3D的S形弯曲回流路径设计,使钢珠在回流区段能获得速度之舒缓效果,可降低磨损而延长使用寿命。
PPR 尺寸表


• 轴端适用性高
轴端未经过热处理加工,保留丝杆轴两端中心孔,可容易加工轴端肩部尺寸。
• 短交期
将丝杆常用规格、牙长及轴端未加工长度设为库存品标准
• 低价格
精密等级以C5或C7搭配轴向间隙作为设定,大量生产降低成本,使得价格更为优惠。
• 节省空间
采用特殊外循环方式设计,使螺帽尺寸和内循环方式一样精巧,不占空间。
• 循环方式
由3D的S形弯曲回流路径设计,使钢珠在回流区段能获得速度之舒缓效果,可降低磨损而延长使用寿命。
PPR 尺寸表


产品特性• 轴端适用性高轴端未经过热处理加工,保留丝杆轴两端中心孔,可容易加工轴端肩部尺寸。• 短交期将丝杆常用规格、牙长及轴端未加工长度设为库存品标准。• 低价格精密等级以C5或C7搭配轴向间隙作为...